Sign In | Join Free | My spintoband.com
China Jetacon Technology Limited logo
Jetacon Technology Limited
Shenzhen Jetacon Technology Limited
Site Member

5 Years

Home > Terminal Blocks Interface Module >

Converter 5V Differential TTL Singal into Collector 24V HTL Signal 2 Ways Support PLC NPN and PNP

Jetacon Technology Limited
Contact Now

Converter 5V Differential TTL Singal into Collector 24V HTL Signal 2 Ways Support PLC NPN and PNP

Place of Origin : Guang Dong

Brand Name : Jetacon

Certification : UL, CE

Model Number : DIS-OC 2CH V3.3

MOQ : 2 pieces

Price : US $59/ piece

Packaging Details : Standard Export Carton

Delivery Time : 7-20 working days

Payment Terms : T/T, L/C, Paypal, Payoneer

Supply Ability : 1KK poles monthly

Power Supply : DC24V

Singal Input : 5V TTL A+ A- B+ B-

Singal output : 24V HTL

Contact Now

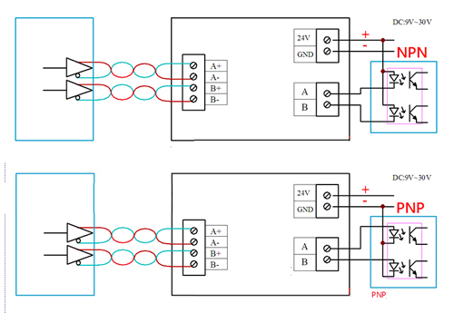
Differintial Signal TTL (5V) to Open Collector Signals (24V), Frequency 2MHz Compatible With NPN and PNP PLC


Introduction:
1. Make the differential signal to the open collector signal output, 2 channels, electrical isolation between input and output.
2. Working frequency: 2000000Hz
3. The collector output mode: using push-pull output mode,support NPN or PNP input's PLC interface .
4. Installation: DIN35mm rail mounting,convenient and quick!
5. Product Size: 43mm x 87mm x 47mm
6. Rated Working Power Voltage: DC24V ( DC14V- DC30V is also available in some condition)
7. Singal Output Voltage: HTL

Applications:
1. servo driver output ABZ signal to the collector output signal, input to the PLC high-speed counter interface.
2. the differential encoder output signal to the collector output signal, input to the PLC high-speed counter interface.
3. for a plurality of servo motor speed synchronization control.

Item Number DIS-OC 2CH TTL to HTL Sigal Converter 2 Channles
Application
PLC high speed counter signal conversion
Servo motor control signal conversion
Rotary encoder control signal conversion
Grating ruler output signal conversion
PLC and microcontroller pulse signal conversion
PLC, servo motor control system anti-jamming
Differential signal converted to other pulse signal
Specification
Signals Channels 2
Power Supply 10V - 26V DC, 24V Typical
PNP PLC Connection Compability Yes
NPN PLC Connection Compability Yes
Optically Isolation Yes
Signals Input A+/A-/B-/B+ TTL/RS232 Signal 5V DC
Signals Output A/B HTL Signal
Frequency Range 0 - 2000000Hz Maximum
Current Comsumption 100 mA Maximum, Each Channel
Input Impedance: Optically isolated, 5.8 kOhms at 24V typical
Isolation Voltage 2500V
Led indicator Red light On
Physical Features
Product Dimension 43mm Width x 87mm Length x 41mm Height
Net Weight 52g
Operation Temperature -25°C to 70°C
Terminal Blocks 5.08mm Pitch, Green, Screw Type
Wire Gauge 26 -16 AWG
Mounting Options DIN Rail 35 or 32
Operation Humidity 98% non-condensing
Converter 5V Differential TTL Singal into Collector 24V HTL Signal 2 Ways Support PLC NPN and PNP
Converter 5V Differential TTL Singal into Collector 24V HTL Signal 2 Ways Support PLC NPN and PNP
Converter 5V Differential TTL Singal into Collector 24V HTL Signal 2 Ways Support PLC NPN and PNP
Converter 5V Differential TTL Singal into Collector 24V HTL Signal 2 Ways Support PLC NPN and PNP

Wholesale Converter 5V Differential TTL Singal into Collector 24V HTL Signal 2 Ways Support PLC NPN and PNP from china suppliers

Converter 5V Differential TTL Singal into Collector 24V HTL Signal 2 Ways Support PLC NPN and PNP Images

Inquiry Cart 0
Send your message to this supplier
 
*From:
*To: Jetacon Technology Limited
*Subject:
*Message:
Characters Remaining: (0/3000)
 
Inquiry Cart 0